Zu den Besonderheiten des Hobby 600 zählt das Bord-Control-Center (BCC) der Aufbau-Elektrik. Im Führerhaus befindet sich über der Windschutzscheibe das Panel mit der Anzeige- und Schaltereinheit, sowie dem Laderegler. Bordbatterie und Ladeblock befinden sich unter der vorderen Sitztruhe. Diese Technik sieht zwar gut aus, ist aber etwas in die Jahre gekommen.
In verschiedenen Beiträgen wurde hier auf Hobby600.de bereits der Austausch des Ladegeräts und den Einbau eines Batteriewächters beschrieben.
Beide Lösungen basieren auf der original Strommessung mit Nebenwiderstand und Amperemeter im BCC. Neben der Ungenauigkeit dieser beiden Komponenten sind die unnötig langen Leitungswege (vom Ladeblock 3,7 m hoch zum BCC und dann wieder 3,7 m runter zur Bordbatterie) nachteilig. Übergangswiderstände in den zahlreichen Steckverbindungen kommen noch hinzu.
Zwar kann man mit etwas Erfahrung mit Hilfe von Ampere- und Voltmeter Aussagen über die Funktionalität der Lademöglichkeiten und die Stromentnahme der Verbraucher treffen, aber spätestens bei der Frage „Wie voll ist meine Aufbaubatterie?“ muss man passen. Was bei einem Wasser- oder Dieseltank selbstverständlich ist, fehlt hier: Eine Tankuhr für die Batterie!
Mit dem LCD-Batterie-Computer 100S von Votronic fand ich jetzt das geeignete Produkt. Ein Mess-Shunt wird so an die Batterie angeschlossen, dass alle Ströme über diesen Shunt fließen. Zusätzlich wird der Shunt mit jeweils 12V- Versorgungsspannung von Batterie 1 (Starterbatterie) und Batterie 2 (Aufbaubatterie) versorgt bzw. angeschlossen. Eine Signalleitung verbindet den Mess-Shunt mit dem eigentlichen Batterie-Computer. Bei der Inbetriebnahme müssen zunächst einige Grunddaten (Systemspannung, Batterietyp und Batteriekapazität) eingestellt werden. Zusätzlich kann ein Schaltausgang parametriet werden. Damit kann z.B. ein zusätzlicher Tiefentladeschutz realisiert werden. Anschließend wird die Batterie mit dem Ladegerät mindestens 24 Stunden auf 100% aufgeladen (Wichtig: Batterie muss vorher mindestens zu 75% entladen sein). Danach ist das Gerät einsatzbereit. Auf seinem Display können wechselweise folgende Messwerte angezeigt werden: Spannung Batterie 1, Spannung Batterie 2, Strom Batterie 2 (positiv bzw. negativ) und Kapazität der Aufbaubatterie wahlweise in Ah oder %. Zusätzlich wird die Kapazität ständig in einer Balkenanzeige in 10%-Schritten dargestellt. Zusätzlich bekommt man Informationen über den Zustand des Schaltausgangs und ob die Batterie geladen wird. Auf Tastendruck kann das Display auch für 3 Minuten beleuchtet (Beleuchtungsstärke einstellbar) werden.
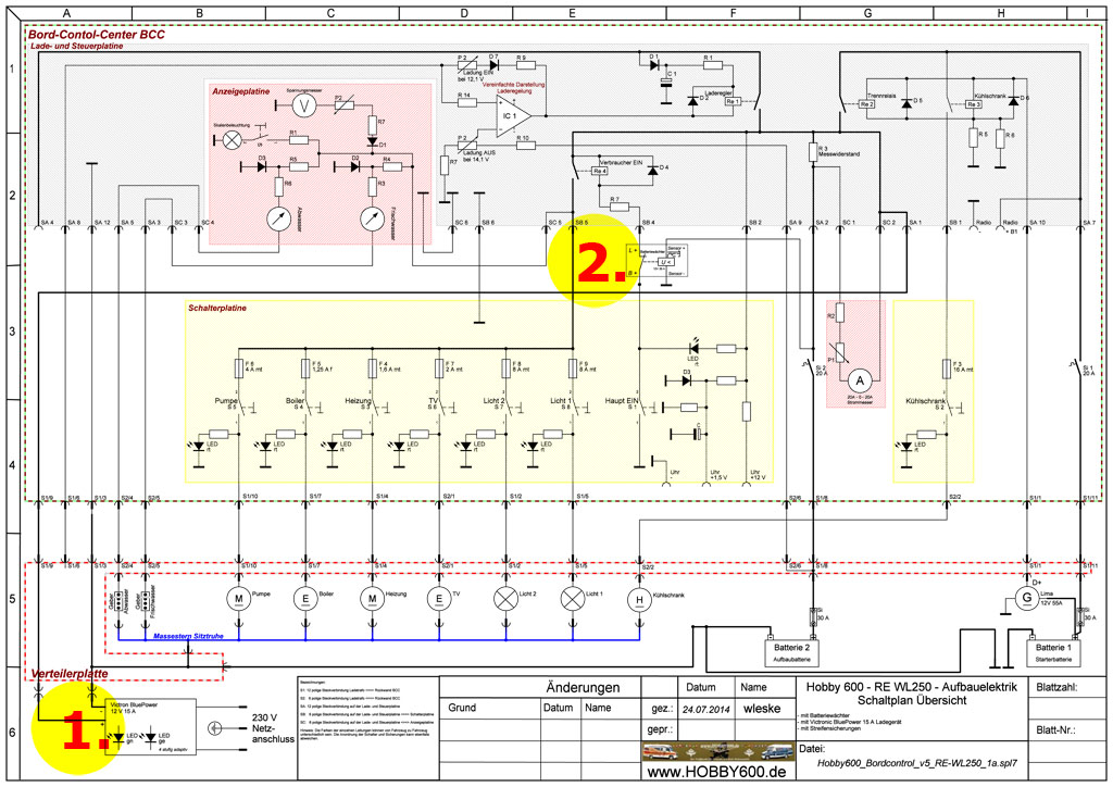
Erste provisorische Versuche mit dem Gerät waren dermaßen positiv, dass ich mit dem endgültigen Einbau sofort eine Modifizierung der Aufbau-Elektrik unseres Hobby 600 verband. Zur Ausgangslage: Das Fahrzeug war bereits mit einem Victron BluePower- Ladegerät 15A (1.) und einem Batteriewächter 35A (2.) gemäß Bild 3 ausgerüstet.
Gegenüber diesem Zustand nahm ich folgende Veränderungen vor (siehe Bild 4): Zunächst wurde wie bereits erwähnt der Batterie-Computer montiert (1.). Der Mess-Shunt kam an die Minus-Klemme der Aufbaubatterie. Das Anzeigegerät montierte ich mittels Votronic- Aufbaurahmen am BCC. Die mitgelieferte Verbindungsleitung ist steckbar und mit 5m Lange ausreichend lang. Die Verlegung erfolgte, wie der andere Kabelweg zum BCC auch, in der B-Säule und über der Fahrertür.
Als weitere Maßnahme
verlegte ich den Batteriewächter vom BCC in die Sitztruhe. Dadurch konnte ich nun alle Verbraucher, die nicht über einen eigenen Unterspannungsschutz verfügten, mit dem Gerät abschalten. Das ist bei mir zwar nur die Steuerung für das Heckbett, aber der Vorteil ergibt sich in Verbindung mit den nächsten Punkten.
So montierte ich ein neues Trennrelais (3.) unmittelbar neben der Aufbaubatterie und verband es direkt (über Sicherungen) mit den Batterien. Für die Ansteuerung benutze ich den D+ der Lichtmaschine. Da unser Kühlschrank nie auf 12V betrieben wird, nahm ich die Verbindung zu den Relais r2 und r3 im BCC außer Betrieb. Ebenso wird die Spannung von Batterie 1 nicht mehr zum BCC geführt. Durch diese Maßnahme lädt die Lichtmaschine jetzt mit 7,4 m kürzerer Leitung direkt in die Aufbaubatterie.
Gleiche Maßnahme führte ich nun mit dem BluePower-Ladegerät (4.) durch. Jetzt wird zwar der Ladestrom nicht mehr am Amperemeter des BCC angezeigt, aber dafür habe ich ja jetzt den Batterie-Computer von Votronic.
Der Vollständigkeit halber habe ich dann auch noch den 400W- Wechselrichter (5.) mit in meine Schaltpläne aufgenommen. Bild 5 zeigt die Montageplatte über dem Ladegerät unter der Sitztruhe.
Absolut begeistert bin ich von den Aussagen, die ich mit Hilfe des Batterie-Computers nun treffen kann. So konnte ich erstmals sehen, dass das BluePower auch tatsächlich in der I-Phase mit 15 A lädt. Anschließend geht es in der U0-Pase auf ca. 3 A runter, um dann in der Erhaltungsphase als Netzteil kleinere Verbraucher im Stand-by direkt zu bedienen, ohne die Batterie zu belasten. Die Verbraucher lassen sich auch auf 0,1 A genau anzeigen. Das Autoradio z.B. verbraucht 800 mA, eine LED- Schrankbeleuchtung 200 mA und die TrumaVent bei max.-Leistung ebenfalls 700 mA. So kann man natürlich ausrechnen, wie viele Stunden man die Verbraucher eingeschaltet lassen kann, bis die Batterie leer ist. Aber Vorsicht, man sollte eine Batterie nie mehr als bis zu 50% entladen, sonst nimmt sie Schaden. Meine Bleisäurebatterie hatte neu eine Kapazität von 90 Ah (20 h). Bedingt durch ihr Alter habe ich sie auf 85 Ah eingestellt. Somit kann ich ca. 45 Ah entnehmen. In der Praxis habe ich dies an einem Wochenende (im Sommer) nicht geschafft. Mag sein, dass es im Winter anders aussieht.
Die eigentliche Überraschung war für mich allerdings das Laden während der Fahrt. Hatte ich vorher auf dem BCC allenfalls ca. 5A ablesen bzw. schätzen können, so musste ich jetzt feststellen, dass die Lichtmaschine bei ¾ leerer Aufbaubatterie diese mit ca. 14 A lädt. Selbst, wenn ich mit Abblendlicht fahre, sind es noch über 10 A. Was hier und auch beim BluePower Ladegerät viel entscheidender ist: Durch die Reduzierung der Kabellänge um besagte 7,4 m bei einem Querschnitt von 4 mm2 wurde ein Spannungsfall von knapp 10% reduziert. Entsprechend geringer ist die Verlustleistung.
Überträgt man diese Erkenntnisse auf den Kühlschrank, so sollte man, falls man ihn während der Fahrt mit 12 V betreiben will, für die Spannung auf jeden Fall ein Relais unter die Sitztruhe bauen und den Weg über das BCC nur zur Ansteuerung dieses Relais benutzen.
Den Wechselrichter hatte ich schon immer unmittelbar an der Batterie angeschlossen. Von daher bekam ich vorher keine Aussagen über die Stromaufnahme. Nach Einabu des Batterie-Computers weiß ich jetzt, dass bei Betrieb des Laptop- oder Pedelec- Ladegeräts Ströme von 4 A bis 7 A aus der Batterie gezogen werden. Da ein Ladevorgang beim Pedelec so um die 4 Stunden dauert, sind das 28 Ah.
Zum Schluss natürlich auch ein Wort zu den Kosten. Batterie-Computer und Kleinteile haben mich ca. 180 € gekostet. Ob sich das lohnt, muss jeder für sich entscheiden. Ich für meinen Teil kann sagen: Eine Investition, die ich nur weiter empfehlen kann. Jetzt weiß ich endlich wie viel "Diesel" noch in meiner Aufbau-Batterie ist.
Schaltbilder mit den einzelnen Phasen des Umbaus der Aufbauelektrik an unserem Hobby 600.
- Phase 0: Original-Schaltbild
- Phase 1: Ladegerät getauscht und Batteriewächter eingebaut
- Phase 2: Batterie-Computer eingebaut, Batteriewächter, Trennrelais und Leitungswege umgebaut, Wechselrichter nachgetragen
- Phase 3: Solaranlage eingebaut
- Phase 4: 2. Aufbaubatterie eingebaut, Verdrahtung geändert








)
Hinweis zum Datenschutz
Die Email-Adresse ist kein Pflichtfeld. Das Anzeigen des Feldes ist systembedingt. Wenn Du keine Email-Adresse eingibst, funktioniert das Abonnieren eines Kommentares nicht!